首页
关于我们
产品展示
新闻动态
留言板
朔麦(上海)工业品有限公司
文章详情
ASM轴承常用标准件安装公差配合及应用参考
2021-01-25
如下图 B6703ZZ 轴承轴颈和外壳孔的标注:
三、端面推力球轴承公差配合参考
按装配的实际配合要求选择,通常参考上述公差配合,精 度到丝级,小数点后两位,第三位小数点通常结合经验一般 按四舍五入取,特殊机构除外。
四.定位销/轴公差配合参考(优先采用基孔制,孔 IT7,轴 IT6)
五、联轴器与轴的配合公差参考
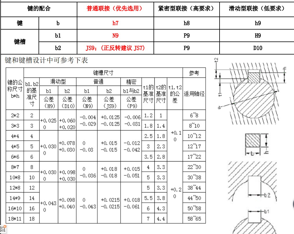
六.键公差配合参考(普通平键的公差 b1 b2)
一般情况参考上述设计,特殊要求时按实际需 要设计。
七.卡簧的公差配合参考 (单位 mm)
八.电机安装卡位的配合公差参考
九.同步轮安装配合公差参考
十.气缸联接安装的配合公差参考
十一.常用线性导轨配置公差配合参考
十二.交叉滚子导轨安装公差配合参考
分享
发表评论
登录评论
匿名评论
提交
提交